为了应对动力需求的压力,世界各国现已采取了比如改进动力结构和开发可再生动力等战略。太阳能光伏发电作为可再生动力的代表,现已被广泛运用。光伏供电与传统供电不同[1]。其输出功率会跟着光照强度、温度和其他环境要素的改动而急剧改动,并且是不可控的[2-4]。装备锂离子电池储能系统可以处理光伏发电系统中供电不平衡的问题,这关于光伏的安稳工作至关重要[5]。
然而,由于锂离子电池的电压和容量约束,许多锂离子电池需求串联和并联运用以匹配负载的电压和容量要求[6],而这些微小的差异会由于制作差异和运用过程中的差异使得电池体现得很不一致,这会导致电池组的可用容量衰减,并增加其安全风险。电池均衡技能被认为是处理这些问题的方案之一[7]。
当时电池均衡技能首要包括被逼均衡和主动均衡[8]。被逼均衡只需通过均衡电阻器消耗高荷电情况(SOC)电池的能量,以完结电池均衡的政策[9]。该处理方案非常简略可靠,并已被广泛应用,但它存在发热问题[10]。主动均衡方案包括许多方案,它们首要运用电容、电感或其他电子元件将单个电池的能量转移,以完结电池均衡的政策[11-14]。尽管它们可以更好地控制发热,但其本钱非常高。在均衡控制战略方面,由于被逼均衡非常简略,因此很少有相关陈说;而现在的研究标明,运用电池SOC作为均衡指标与运用电池电压比较具有更好的功用[15-17],但这在实践中并不实用。Wu等人指出[18],运用电池端电压作为均衡指标一般会使系统无法完结既定政策,他们给出的相应处理方案[19]运用了电池模型,而[20]通过疏忽电池不一致性来处理这个问题,但并不适用于该系统。
关于光伏锂离子电池储能系统,需求注重更简略的均衡电路以及控制战略。[21,22]中提出的均衡电路非常复杂。它们试图通过电容和电感组合完结电池均衡,但关于由许多电池组成的储能系统来说,这非常复杂;[23]测验运用模型计算电池电压,而[24,25]想要根据时刻和电流计算电池电压以简洁地获得电池电压,但它们并不实用,更适宜试验室环境。
在本文中,我们提出了一种均衡电路和控制战略。尽管现已提出了被逼和主动均衡电路的组合,但本文的贡献在于为系统的实践需求提出了一种更简略、更可靠的主动均衡电路,该电路需求较少的金属氧化物半导体场效应晶体管(MOSFET)和低功率直流-直流(DC-DC)转换器。拓扑结构和控制非常简略,组件非常老到和可靠。在均衡控制战略方面,本文的贡献在于所提出的战略通过下降均衡速度来削减发热量,然后在被逼均衡中几乎不会发生温度上升,并且主动均衡电路具有更高的均衡功用,且几乎没有增加工作量,这非常适宜储能系统。本文的安排结构如下:第二章介绍了所提出的均衡电路及其原理,第三章介绍了所提出的均衡战略,第四章建立了验证试验平台,最终给出了定论。
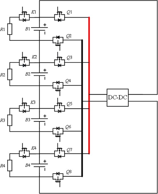
关于由四个电池单元串联组成的电池组,本文提出的均衡电路如图1所示,该均衡电路由两部分组成:被逼均衡和主动均衡。

均衡电路
在被逼均衡部分,每个电池单元都衔接有一个MOSFET和一个电阻器,并且通过控制MOSFET让电池单元为电阻器放电以下降电池单元的SOC,如图2所示。

B1和B3平衡(被逼均衡)
其间 \( C \) 是 \( B_1 \) 的容量,\( U_{B_1} \) 是 \( B_1 \) 的电压。假定 \( B_1 \) 的 SOC 最高,那么通过控制 \( B_1 \) 开释的 SOC 时刻 \( T \),即控制 \( K_1 \) 封闭的时刻,可以完结电池均衡。
关于主动均衡部分,每个电池单元通过两个MOSFET充电以控制直流-直流转换器。注意,直流-直流转换器的能量来历可以是电池组或另一个电源,由于均衡功率较小,直流-直流一般运用反激式转换器。假定需求对B1进行均衡,如图3所示。

B1平衡(主动均衡)(a)无源均衡 (b)有源均衡 (c)无源均衡和有源均衡
如图3所示,Q1和Q2处于闭合情况,而全部其他MOSFET都处于断开情况。直流-直流变换器从电池组为B1充电,此时B1的SOC逐步上升。假设B1的SOC最低,那么通过直流-直流充电后,其SOC会明显上升,即完结了电池均衡的政策。
答:被逼均衡和主动均衡。
正常情况下,电池包的参数遵守正态分布,这意味着高功用电池单元以及低功用电池单元总是少量。假设只要被逼均衡,那么许多高功用电池单元需求通过电阻开释能量以匹配低功用电池单元(图4(a)),而假设只要主动均衡,一般需求许多低功用电池单元被充电以匹配高功用电池单元(图4(b)),这是非常不合理的。

均衡电池
本文运用的均衡电路选用无源均衡来消耗高功用电池单元的能量,以及主动均衡电路的直流-直流变换器来为低功用电池单元充电。然后,我们只需求对高功用和低功用电池单元进行均衡,就可以完结电池组的均衡,并且可以疏忽许多正常功用电池单元(图4(c)),这将大大削减需求均衡的电池单元数量。
B: 主动均衡简略且功用高。
关于光伏锂离子电池储能系统,高可靠性比高功用更重要。在可靠性方面,本文提出的主动均衡电路非常简略——它只需求2*N个MOSFET和一个直流-直流转换器。N是串联衔接的电池数量,即便MOSFET发生故障,也不会影响电池组的正常工作,并且低功率直流-直流转换器现在非常老到,其可靠性很高。在功用方面,关于电池管理系统(BMS)来说,控制每个电池单元的均衡非常简略,通过调整直流-直流转换器的输出电流可以调整均衡电流。假设需求,直流-直流转换器的输入可以是外部均衡电源,而不是电池组,这非常活络。
联系人:英国霍克蓄电池(中国)营销总部
手机:15313702523(微信同号)
E-mail:ukhawker@yeah.net